- Overview
- Recommended Products
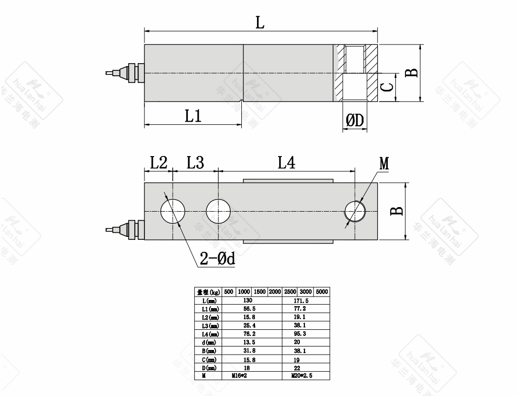
Product Introduction
The cantilever beam steel load cell features a fixed end and a load-bearing end, utilizing steel balls for force transmission. It employs either upper and lower pressure heads or a dual-ball head structure, with an excellent sealing design. The device automatically self-aligns under load, ensuring easy installation, convenient operation, and high interchangeability.
Detail Display

Parameters
| Parameter Name | Parameter Value |
| Sensor range | 500kg ~ 5000kg |
| Accuracy class | C2/C3 |
| Comprehensive error | ±0.03 & ±0.02% FS |
| Output sensitivity | 2.0±0.003 mV/V |
| creep | ±0.023 & ±0.016% FS/30min |
| Zero output | ±1.5% FS |
| Input impedance | 350±5Ω |
| Output impedance | 350±3Ω |
| insulation resistance | ≥5000 MΩ(100VDC) |
| Influence of zero temperature | ±0.029 & ±0.019% FS/10℃ |
| Sensitivity temperature effect | ±0.017 & ±0.011% FS/10℃ |
| Temperature compensation range | -10℃ ~ +40 ℃ |
| Operating temperature range | -30℃ ~ +70 ℃ |
| Excitation voltage | 5VDC ~ 12VDC |
| Safe overload range | 150% |
| Limit overload range | 200% |
| Material Science | Alloy Steel |
| Protection level | IP66 |